首页
注册
登入
語系
繁體中文
简体中文
询价车:
item(s)
Toggle Navigation
询价车 (
)
登入
注册
关于我们
企业简介
企業沿革
机械设备
产品介绍
KJP减速机
VGM减速机
斜齿减速机(BH、BX系列)
线性滑轨
螺杆
内循环系列
外循環重負荷系列
端蓋式循環高速系列
微小型系列
研磨級軸端完成品
無法蘭系列
轴心式滑轨
行星减速机图档
100W專用
200W400W專用
750W專用
1KW專用
2KW專用
3.5KW專用
轉角90度(L、T)
MF60HL
MF60HT
MF90HL
MF90HT
MF120HL
MF120HT
减速机图档
100W專用
200W400W專用
750W專用
1KW專用
2KW專用
3.5KW專用
轉角90度(L、T)
MF60HL
MF60HT
MF90HL
MF90HT
MF120HL
MF120HT
技术支援
最新消息
电子型录
联络我们
Home
产品介绍
螺杆
研磨級軸端完成品
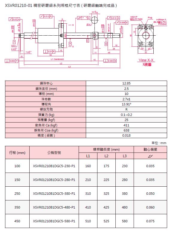
XSV
XSV
数量 :
加入询价车
产品叙述
XSV 2D3D圖檔下載
产品介绍
KJP减速机
KH系列行星式减速机
KX系列行星式減速機
KHL 系列行星式減速機
KHT 系列行星式減速機
VGM减速机
MF-H Series 最高精密,低背系減速機
MF-X Series 標準背隙、經濟型減速機
MF-S Series 強力型減速機
P Series (PG / PF / PX) 泛用經濟型減速機
MFL Series 節省空間-90度轉角型減速機
MFT Series 多樣性的連接方式 (中空軸/單出軸/雙出軸)
斜齿减速机(BH、BX系列)
线性滑轨
ARC / HRC 系列
MR 微型系列
螺杆
内循环系列
SCNI&SCI
OFI&DFI
SFNI&SFI
SFM
DFM
SFNU&SFU
OFU&DFU
外循環重負荷系列
SFV
OFV&DFV
端蓋式循環高速系列
SFA
SFY
DFS
SFH
SFNH
SCNH
微小型系列
SFK
研磨級軸端完成品
XSV
無法蘭系列
BSH
SCI
轴心式滑轨
轴心式滑轨
軸心
PROTAPE® PUR-C 335 FOOD-AS FLAT
CP PUR 455 FOOD
PROTAPE® PUR 330 FOOD
PROTAPE® PUR-INOX 330 FOOD-AS
AIRDUC ® PUR 350 FOOD-AS
AIRDUC® PUR 351 FOOD
AIRDUC ® PUR-INOX 351 FOOD-AS
AIRDUC ® PUR 355 FOOD
AIRDUC ® PUR-INOX 355 FOOD-AS
AIRDUC® PUR 356 FOOD
AIRDUC ® PUR-INOX 356 FOOD-AS
AIRDUC® PUR 356 FOOD REINFORCED
BARDUC ® PUR-INOX 382 FOOD-AS
行星减速机图档
100W專用
MF40X-L2ψ30PCDψ46M4
MF40X-L2ψ30PCDψ45M3
MF40X-L1ψ30PCDψ46M4
MF40X-L1ψ30PCDψ45M3
MF40H-L2-ψ30PCDψ46M4
MF40H-L2ψ30PCDψ45M3
MF40H-L1-ψ30PCDψ46M4
MF40H-L1ψ30PCDψ45M3
200W400W專用
MF60H-L1ψ50PCDψ70M4
MF60H-L1ψ50PCDψ70M5
MF60H-L2ψ50PCDψ70M4
MF60H-L2ψ50PCDψ70M5
MF60X-L1ψ50PCDψ70M4
MF60X-L1ψ50PCDψ70M5
MF60X-L2ψ50PCDψ70M4
MF60X-L2ψ50PCDψ70M5
MF60X-L3ψ50PCDψ70M5
PX60-L1ψ50ψ70M4
PX60-L1ψ50ψ70M5
PX60-L2ψ50ψ70M4
PX60-L2ψ50ψ70M5
750W專用
MF90H-L1ψ70PCDψ90M6
MF90H-L2ψ70PCDψ90M6
MF90X-L1ψ70PCDψ90M6
MF90X-L2ψ70PCDψ90M6
MF90X-L3ψ70PCDψ90M6
PX90-L1ψ70ψ90M6
PX90-L2ψ70ψ90M6
1KW專用
MF120H-L1ψ95PCDψ115M6
MF120H-L1ψ95PCDψ115M8
MF120H-L1ψ110PCDψ145M8
MF120H-L2ψ95PCDψ115M6
MF120H-L2ψ95PCDψ115M8
MF120H-L2ψ110PCDψ145M8
MF120X-L1ψ95PCDψ115M6
MF120X-L1ψ95PCDψ115M8
MF120X-L1ψ110PCDψ145M8
MF120X-L2ψ95PCDψ115M6
MF120X-L2ψ95PCDψ115M8-A4
MF120X-L2ψ110PCDψ145M8
PX120-L1ψ95ψ115M6-A4
PX120-L1ψ95ψ115M8-A4
PX120-L1ψ110ψ145M8
PX120-L2ψ95ψ115M6-A4
PX120-L2ψ95ψ115M8-A4
PX120-L2ψ110ψ145M8
PX120-L3ψ110ψ145M8
2KW專用
MF150H-L1ψ110PCDψ145M8
MF150H-L1ψ114.3PCDψ200M12
MF150H-L2ψ110PCDψ145M8
MF150H-L2ψ114.3PCDψ200M12
MF150X-L1ψ110PCDψ145M8
MF150X-L1ψ114.3PCDψ200M12
MF150X-L2ψ110PCDψ145M8
MF150X-L2ψ114.3PCDψ200M12
3.5KW專用
MF180H-L1ψ114.3PCDψ200M12
MF180H-L2ψ114.3PCDψ200M12
MF180X-L1ψ114.3PCDψ200M12
MF180X-L2ψ114.3PCDψ200M12
MF220X-L1ψ114.3PCDψ200M12
MF220X-L1ψ200PCDψ235M12
MF220X-L2ψ114.3PCDψ200M12
MF220X-L2ψ200PCDψ235M12
轉角90度(L、T)
MF60HL
MF60HL-L2ψ50PCDψ70M5-A4
MF60HL-L1ψ50PCDψ70M4-A4
MF60HL-L1ψ50PCDψ70M5-A4
MF60HL-L2ψ50PCDψ70M4-A4
MF60HT
60HT-H-L0-Φ50PCDΦ70M4
60HT-H-L0-Φ50PCDΦ70M5
60HT-H-L1-Φ50PCDΦ70M4
60HT-H-L1-Φ50PCDΦ70M5
60HT-H-L2-Φ50PCDΦ70M4
60HT-H-L2-Φ50PCDΦ70M5
60HT-S1-L0-Φ50PCDΦ70M4
60HT-S1-L0-Φ50PCDΦ70M5
60HT-S1-L1-Φ50PCDΦ70M4-A4
60HT-S1-L1-Φ50PCDΦ70M5-A4
60HT-S1-L2-Φ50PCDΦ70M4-A4
60HT-S1-L2-Φ50PCDΦ70M5-A4
60HT-S2-L0-Φ50PCDΦ70M4-A4
60HT-S2-L0-Φ50PCDΦ70M5-A4
60HT-S2-L1-Φ50PCDΦ70M4-A4
60HT-S2-L1-Φ50PCDΦ70M5-A4
60HT-S2-L2-Φ50PCDΦ70M4-A4
60HT-S2-L2-Φ50PCDΦ70M5-A4
MF90HL
MF90HL-L1ψ70PCDψ90M6-A4
MF90HL-L2ψ70PCDψ90M6
MF90HT
90HT-H-L0-Φ70PCDΦ90M6
90HT-H-L1-Φ70PCDΦ90M6
90HT-H-L2-Φ70PCDΦ90M6
90HT-S1-L0-Φ70PCDΦ90M6
90HT-S1-L1-Φ70PCDΦ90M6
90HT-S1-L2-Φ70PCDΦ90M6
90HT-S2-L0-Φ70PCDΦ90M6
90HT-S2-L1-Φ70PCDΦ90M6
90HT-S2-L2-Φ70PCDΦ90M6
MF120HL
MF120HL-L1ψ95PCDψ115M6-A4
MF120HL-L1ψ110PCDψ145M8-A4
MF120HL-L2ψ95PCDψ115M6-A4
MF120HL-L2ψ110PCDψ145M8-A4
MF120HT
120HT-H-L0-Φ95PCDΦ115M6
120HT-H-L0-Φ110PCDΦ145M8
120HT-H-L1-Φ95PCDΦ115M6
120HT-H-L1-Φ110PCDΦ145M8
120HT-H-L2-Φ95PCDΦ115M6
120HT-H-L2-Φ110PCDΦ145M8
120HT-S1-L0-Φ95PCDΦ115M6
120HT-S1-L0-Φ110PCDΦ145M8
120HT-S1-L1-Φ95PCDΦ115M6
120HT-S1-L1-Φ110PCDΦ145M8
120HT-S1-L2-Φ95PCDΦ115M6
120HT-S1-L2-Φ110PCDΦ145M8
120HT-S2-L0-Φ110PCDΦ145M8
120ht-s2-l0-Φ95pcdΦ115m6
120ht-s2-l1-Φ110pcdΦ145m8
120ht-s2-l1-Φ95pcdΦ115m6
120ht-s2-l2-Φ110pcdΦ145m8
120ht-s2-l2-Φ95pcdΦ115m6