KH 減速比組成
| 減速機各段可選擇基本齒輪比數 | |||
| 型號 | 第一段齒輪比數 | 第二段齒輪比數 | 第三段齒輪比數 |
| KH40 | 3,4,5,6,7,8,10 | 5 | - |
| KH60 | 3,4,5,6,7,9,10 | 4,5,7,10 | 4,5,7,10 |
| KH90 | 3,4,5,6,7,8,9,10 | 4,5,7,10 | 4,5,7,10 |
| KH120 | 3,4,5,6,7,9,10 | 4,5,7,10 | 4,5,7,10 |
| KH150 | 3,4,5,6,7,10 | 4,5,7,10 | 4,5,7,10 |
| KH180 | 3,4,5,7,10 | 4,5,7,10 | 4,5,7,10 |
| 一段式減速比(L1) = 第一段齒輪比數 | |||
| 二段式減速比(L2) = 第一段齒輪比數 x 第二段齒輪比數 | |||
| 三段式減速比(L3) = 第二段齒輪比數 x 第三段齒輪比數 | |||
| 例:一段式減速比 (L1) 5:1 = 第一段齒輪比 5 = 5 比 | |||
| 例 : 二段式減速比 (L2) 50:1 = 第一段齒輪比 5 x 第二段減速比 10 = 50 比 | |||
| 例 : 三段式減速比 (L3) 500:1 = 第一段齒輪比 5 x 第二段減速比 10 x 第三段減速比 10 = 500 比 | |||
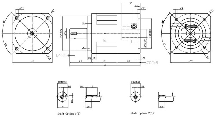
| Size(mm) | KH40-L1 | KH60-L1 | KH90-L1 | KH120-L1 | KH150-L1 | KH180-L1 |
| D1 | 50 | 70 | 100 | 130 | 165 | 215 |
| D2 | 3.5 | 5.5 | 6.8 | 8.7 | 11 | 13 |
| D3 | 13 | 16 | 22 | 32 | 38 | 50 |
| D4 | 35 | 50 | 80 | 110 | 130 | 160 |
| D5 | 15 | 18 | 25 | 35 | 40 | 60 |
| D6 | M4x0.7P | M5x0.8P | M6x1.0P | M8x1.25P | M12x1.75P | M12x1.75P |
| D7 | 55 | 80 | 118 | 158 | 190 | 245 |
| L1 | 42 | 60 | 92 | 120 | 142 | 182 |
| L2 | 25.5 | 35.5 | 50 | 65 | 86 | 105 |
| L3 | 5.5 | 7.5 | 10 | 12 | 15 | 20 |
| L4 | 0.5 | 1.5 | 1 | 1 | 3 | 2 |
| L5 | 15 | 20 | 25 | 40 | 45 | 70 |
| L6 | 2 | 3 | 5 | 3 | 5 | 6 |
| L7 | 33.5 | 49 | 58 | 69 | 79 | 85.5 |
| L8 | 8 | 12 | 15 | 20 | 32 | 42 |
| L9 | 7 | 10 | 12 | 15 | 12 | 15 |
| C1 | 46 | 70 | 90 | 145 | 200 | 200 |
| C2 | M4x0.7P | M5x0.8P | M6x1.0P | M8x1.25P | M12x1.75P | M12x1.75P |
| C3 | 8 | 6~14 | 14~19 | 16~24 | 19~35 | 19~42 |
| C4 | 28 | 38 | 43 | 64 | 88 | 85 |
| C5 | 30 | 50 | 70 | 110 | 114.3 | 114.3 |
| C6 | 4 | 4 | 5 | 7 | 6 | 10 |
| C7 | 42 | 61.59 | 92 | 122.73 | 176 | 182 |
| C8 | 34 | 45 | 53 | 77.5 | 97.5 | 100 |
| C9 | 93 | 129.5 | 161 | 211.5 | 262.5 | 290.5 |
| C10 | 12.5 | 12 | 14 | 28 | 38.5 | 33.5 |
| C11 | 56 | 81.02 | 120 | 161.55 | 230 | 230 |
| C12 | 7.5 | 6 | 7 | 19.5 | 12.5 | 17 |
| B1 | 4 | 5 | 6 | 10 | 10 | 14 |
| H1 | 14.5 | 18 | 24.5 | 35 | 41 | 53.5 |
| 以上C1~C12為標準的連接法蘭尺寸,實際尺寸會因馬達型號不同而變動。 | ||||||
| Size(mm) | KH40-L2 | KH60-L2 | KH90-L2 | KH120-L2 | KH150-L2 | KH180-L2 |
| D1 | 50 | 70 | 100 | 130 | 165 | 215 |
| D2 | 3.5 | 5.5 | 6.8 | 8.7 | 11 | 13 |
| D3 | 13 | 16 | 22 | 32 | 38 | 50 |
| D4 | 35 | 50 | 80 | 110 | 130 | 160 |
| D5 | 15 | 18 | 25 | 35 | 40 | 60 |
| D6 | M4x0.7P | M5x0.8P | M6x1.0P | M8x1.25P | M12x1.75P | M12x1.75P |
| D7 | 55 | 80 | 118 | 158 | 190 | 245 |
| L1 | 42 | 60 | 92 | 120 | 142 | 182 |
| L2 | 25.5 | 35.5 | 50 | 65 | 86 | 105 |
| L3 | 5.5 | 7.5 | 10 | 12 | 15 | 20 |
| L4 | 0.5 | 1.5 | 1 | 1 | 3 | 2 |
| L5 | 15 | 20 | 25 | 40 | 45 | 70 |
| L6 | 2 | 3 | 5 | 3 | 5 | 6 |
| L7 | 33.5 | 49 | 58 | 69 | 79 | 85.5 |
| L8 | 8 | 12 | 15 | 20 | 32 | 42 |
| L9 | 7 | 10 | 12 | 15 | 12 | 15 |
| L10 | 19 | 16 | 27.5 | 33.2 | 46 | 51.5 |
| C1 | 46 | 70 | 90 | 145 | 200 | 200 |
| C2 | M4x0.7P | M5x0.8P | M6x1.0P | M8x1.25P | M12x1.75P | M12x1.75P |
| C3 | 8 | 6~14 | 14~19 | 16~24 | 19~35 | 19~42 |
| C4 | 28 | 38 | 43 | 64 | 88 | 85 |
| C5 | 30 | 50 | 70 | 110 | 114.3 | 114.3 |
| C6 | 4 | 4 | 5 | 7 | 6 | 10 |
| C7 | 42 | 61.59 | 92 | 122.73 | 176 | 182 |
| C8 | 34 | 45 | 53 | 77.5 | 97.5 | 100 |
| C9 | 112 | 145.5 | 188.5 | 244.7 | 308.5 | 342 |
| C10 | 12.5 | 12 | 14 | 28 | 38.5 | 33.5 |
| C11 | 56 | 81.02 | 120 | 161.55 | 230 | 230 |
| C12 | 7.5 | 6 | 7 | 19.5 | 12.5 | 17 |
| B1 | 4 | 5 | 6 | 10 | 10 | 14 |
| H1 | 14.5 | 18 | 24.5 | 35 | 41 | 53.5 |
| 以上C1~C12為標準的連接法蘭尺寸,實際尺寸會因馬達型號不同而變動。 | ||||||
KH 技術規格總表
| 規格 | 單位 | 段數 | 減速比 | KH40 | KH60 | KH90 | KH120 | KH150 | KH180 |
| 額定輸出扭矩 T2N | Nm | L1 | 3 | 13 | 34 | 116 | 228 | 652 | 1,090 |
| 4 | 14 | 35 | 120 | 236 | 690 | 1,153 | |||
| 5 | 13 | 34 | 117 | 229 | 644 | 1,080 | |||
| 6 | 14 | 33 | 113 | 222 | 643 | 1,060 | |||
| 7 | 13 | 33 | 110 | 214 | 605 | 1,007 | |||
| 8 | 11 | ― | 100 | 240 | ― | ― | |||
| 9 | ― | 31 | 107 | 203 | ― | ― | |||
| 10 | 12 | 29 | 94 | 184 | 515 | 854 | |||
| L2 | 15 | 13 | 34 | 116 | 228 | 652 | 1,090 | ||
| 20 | 14 | 35 | 120 | 236 | 690 | 1,153 | |||
| 25 | 13 | 34 | 117 | 229 | 644 | 1,080 | |||
| 30 | 14 | 34 | 113 | 228 | 652 | 1,090 | |||
| 35 | 13 | 34 | 117 | 229 | 644 | 1,080 | |||
| 40 | 11 | 35 | 120 | 236 | 690 | 1,153 | |||
| 45 | ― | 31 | 107 | 203 | ― | ― | |||
| 50 | 12 | 34 | 117 | 229 | 644 | 1,080 | |||
| 60 | ― | 33 | 113 | 222 | 643 | 1,060 | |||
| 70 | ― | 33 | 110 | 214 | 605 | 1,007 | |||
| 80 | ― | ― | 100 | 240 | ― | ― | |||
| 90 | ― | 31 | 107 | 203 | ― | ― | |||
| 100 | ― | 29 | 94 | 184 | 515 | 854 | |||
| 急停扭矩 | Nm | L1,L2 | 3~100 | 3倍額定輸出扭矩 | 2.5倍額定輸出扭矩 | ||||
| 額定輸入轉速 N1N | rpm | L1,L2 | 3~100 | 3,000 | 3,000 | 3,000 | 2,500 | 2,500 | 2,500 |
| 最大輸入轉速 N1B | rpm | L1,L2 | 3~100 | 6,000 | 6,000 | 6,000 | 5,000 | 5,000 | 5,000 |
| 精密背隙 H | arcmin | L1 | 3~10 | ≦5 | ≦3 | ≦3 | ≦3 | ≦3 | ≦3 |
| L2 | 15~100 | ≦8 | ≦5 | ≦5 | ≦5 | ≦5 | ≦5 | ||
| 標準背隙 M | arcmin | L1 | 3~10 | ≦8 | ≦5 | ≦5 | ≦5 | ≦5 | ≦5 |
| L2 | 15~100 | ≦10 | ≦8 | ≦8 | ≦8 | ≦8 | ≦8 | ||
| 扭轉剛性 | Nm/arcmin | L1,L2 | 3~100 | 2.6 | 4 | 11 | 35 | 56 | 145 |
| 容許徑向力 F2rB2 | N | L1,L2 | 3~100 | 700 | 1,328 | 2,340 | 4,000 | 5,423 | 11,670 |
| 容許軸向力F2aB2 | N | L1,L2 | 3~100 | 350 | 664 | 1,170 | 2,000 | 2,712 | 5,835 |
| 保固期 | M | L1,L2 | 3~100 | 18 個月 | |||||
全負載時效率
|
% | L1 | 3~10 | ≧98% | |||||
| L2 | 15~100 | ≧95% | |||||||
| 淨重 | kg | L1 | 3~10 | 0.53 | 1.55 | 4.37 | 9.56 | 17.7 | 28.75 |
| L2 | 15~100 | 0.7 | 2 | 5.52 | 11.21 | 22.3 | 37.8 | ||
| 毛重(含紙盒) | kg | L1 | 3~10 | 0.6 | 1.72 | 4.7 | 10.24 | 19.6 | 30.65 |
| L2 | 15~100 | ― | 2.17 | 5.85 | 11.89 | 24.2 | 39.78 | ||
| 使用溫度 | °C | L1,L2 | 3~100 | - 10°C ~ + 90ºC | |||||
| 潤滑 | L1,L2 | 3~100 | 鋰基複合全合成潤滑油脂 | ||||||
| 安裝方向 | L1,L2 | 3~100 | 任意方向 | ||||||
| 防護等級 | L1,L2 | 3~100 | IP65 | ||||||
| 噪音值 | dBA | L1,L2 | 3~100 | ≦65 | ≦65 | ≦65 | ≦68 | ≦68 | ≦70 |
| 1. 上述單段減速機(未指定比數)相關規格,主要為使用各型號5比減速機所測得之數據 | |||||||||
| 2. 減速比:i = 輸入轉速/輸出轉速 | |||||||||
| 3. 背隙值:為在2%額定輸出扭矩下測試所得之數據 | |||||||||
| 4. 最大徑向力及最大軸向力:施力於出力軸中心位置,週期負載時間50%,輸出轉速100rpm,條件下所測得之數據 | |||||||||
| 5. 運轉負載週期<60%狀況下,平均使用壽命如列表數據值;負載週期≧60%之連續運轉狀況下,平均使用壽命可能會降低至 | |||||||||
| 正常值的50%以下 | |||||||||
| 6. 噪音值 :距離1公尺,空載運轉,額定輸入轉速,條件下所測得之數據 | |||||||||
| 轉動慣量J1 kg*cm² | 段數 | 減數比 | KH40 | KH60 | KH90 | KH120 | KH150 | KH180 |
| L1 | 3 | 0.02 | 0.12 | 1.05 | 2.38 | 10.76 | 26.48 | |
| 4 | 0.01 | 0.09 | 0.94 | 1.99 | 8.89 | 21.51 | ||
| 5 | 0.01 | 0.08 | 0.91 | 1.91 | 8.55 | 20.60 | ||
| 6 | 0.01 | 0.08 | 0.90 | 1.87 | 8.47 | 20.43 | ||
| 7 | 0.01 | 0.08 | 0.89 | 1.86 | 8.42 | 20.26 | ||
| 8 | 0.01 | ─ | 0.89 | 1.86 | ─ | ─ | ||
| 9 | ─ | 0.08 | 0.89 | 1.84 | ─ | ─ | ||
| 10 | 0.01 | 0.08 | 0.89 | 1.84 | 8.38 | 20.15 | ||
| L2 | 15 | 0.01 | 0.08 | 0.89 | 1.87 | 8.51 | 20.50 | |
| 20 | 0.01 | 0.08 | 0.89 | 1.87 | 8.51 | 20.50 | ||
| 25 | 0.01 | 0.08 | 0.89 | 1.87 | 8.51 | 20.50 | ||
| 30 | 0.01 | 0.08 | 0.89 | 1.85 | 8.51 | 20.50 | ||
| 35 | 0.01 | 0.08 | 0.88 | 1.84 | 8.40 | 20.20 | ||
| 40 | 0.01 | 0.08 | 0.88 | 1.83 | 8.37 | 20.13 | ||
| 45 | ─ | 0.08 | 0.88 | 1.83 | ─ | ─ | ||
| 50 | 0.01 | 0.08 | 0.88 | 1.83 | 8.37 | 20.13 | ||
| 60 | ─ | 0.08 | 0.88 | 1.83 | 8.37 | 20.13 | ||
| 70 | ─ | 0.08 | 0.88 | 1.83 | 8.37 | 20.13 | ||
| 80 | ─ | ─ | 0.88 | 1.83 | ─ | ─ | ||
| 90 | ─ | 0.08 | 0.88 | 1.83 | ─ | ─ | ||
| 100 | ─ | 0.08 | 0.88 | 1.83 | 8.37 | 20.13 |