

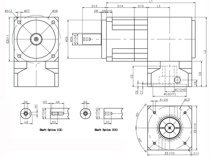
KHL 減速比組成

| Size(mm) | KHL60-L1 | KHL90-L1 | KHL120-L1 |
| C1 | ∮14 (6~14) | ∮19 (14~24) | ∮24 (16~24) |
| C2 | 50 | 70 | 110 |
| C3 | 70 | 90 | 145 |
| C4 | M5x0.8P | M6x1.0P | M8x1.25P |
| C5 | 38 | 43 | 66 |
| C6 | 6 | 7 | 19.5 |
| C7 | 4 | 5 | 7 |
| C8 | 12 | 14 | 28 |
| C9 | 45 | 53 | 77.5 |
| C10 | 62 | 92 | 122.7 |
| C11 | ∮85 | ∮120 | ∮161.5 |
| D1 | ∮16 | ∮22 | ∮32 |
| D2 | M5x0.8P | M6x1.0P | M8x1.25P |
| D3 | 12 | 15 | 20 |
| D4 | 18 | 25 | 35 |
| D5 | 50 | 80 | 110 |
| D6 | 70 | 100 | 130 |
| D7 | ∮5.5 | ∮6.8 | ∮8.7 |
| D8 | 1.5 | 1 | 1 |
| D9 | 7.5 | 10 | 12 |
| D10 | 10 | 12 | 15 |
| D11 | 60 | 92 | 120 |
| D12 | ∮80 | ∮118 | ∮158 |
| D13 | 35.5 | 50 | 65 |
| D14 | 49 | 58 | 69 |
| H1 | 5 | 6 | 10 |
| H2 | 18 | 24.5 | 35 |
| H3 | 3 | 3 | 3 |
| H4 | 20 | 25 | 40 |
| L1 | 114 | 157 | 194 |
| L2 | 105 | 145 | 197.5 |
| L3 | 31 | 46 | 60 |
| 以上C1~C11為標準的連接法蘭尺寸,實際尺寸會因馬達型號不同而變動 | |||
| Size(mm) | KHL60-L2 | KHL90-L2 | KHL120-L2 |
| C1 | ∮14 (6~14) | ∮19 (14~24) | ∮24 (16~24) |
| C2 | 50 | 70 | 110 |
| C3 | 70 | 90 | 145 |
| C4 | M5x0.8P | M6x1.0P | M8x1.25P |
| C5 | 38 | 43 | 66 |
| C6 | 6 | 7 | 19.5 |
| C7 | 4 | 5 | 7 |
| C8 | 12 | 14 | 28 |
| C9 | 45 | 53 | 77.5 |
| C10 | 62 | 92 | 122.7 |
| C11 | ∮85 | ∮120 | ∮161.5 |
| D1 | ∮16 | ∮22 | ∮32 |
| D2 | M5x0.8P | M6x1.0P | M8x1.25P |
| D3 | 12 | 15 | 20 |
| D4 | 18 | 25 | 35 |
| D5 | 50 | 80 | 110 |
| D6 | 70 | 100 | 130 |
| D7 | ∮5.5 | ∮6.8 | ∮8.7 |
| D8 | 1.5 | 1 | 1 |
| D9 | 7.5 | 10 | 12 |
| D10 | 10 | 12 | 15 |
| D11 | 60 | 92 | 120 |
| D12 | ∮80 | ∮118 | ∮158 |
| D13 | 35.5 | 50 | 65 |
| D14 | 49 | 58 | 69 |
| D15 | 16 | 27.5 | 33.2 |
| H1 | 5 | 6 | 10 |
| H2 | 18 | 24.5 | 35 |
| H3 | 3 | 3 | 3 |
| H4 | 20 | 25 | 40 |
| L1 | 130 | 184.5 | 227.2 |
| L2 | 105 | 145 | 197.5 |
| L3 | 31 | 46 | 60 |
| 以上C1~C11為標準的連接法蘭尺寸,實際尺寸會因馬達型號不同而變動 | |||
| 規格 | 單位 | 段數 | 減速比 | KHL60 | KHL90 | KHL120 |
| 額定輸出扭矩 T2N | Nm | L1 | 3 | 34 | 116 | 228 |
| 4 | 35 | 120 | 236 | |||
| 5 | 34 | 117 | 229 | |||
| 6 | 33 | 113 | 222 | |||
| 7 | 33 | 110 | 214 | |||
| 8 | 35 | 100 | 236 | |||
| 9 | 31 | 107 | 203 | |||
| 10 | 29 | 94 | 184 | |||
| 14 | 33 | 110 | 214 | |||
| 20 | 29 | 94 | 184 | |||
| L2 | 25 | 34 | 117 | 229 | ||
| 30 | 34 | 113 | 228 | |||
| 35 | 34 | 117 | 229 | |||
| 40 | 35 | 120 | 236 | |||
| 45 | 31 | 107 | 203 | |||
| 50 | 34 | 117 | 229 | |||
| 60 | 33 | 113 | 222 | |||
| 70 | 33 | 110 | 214 | |||
| 80 | ― | 100 | ― | |||
| 90 | 31 | 107 | 203 | |||
| 100 | 29 | 94 | 184 | |||
| 120 | 33 | 113 | 222 | |||
| 140 | 29 | 94 | 184 | |||
| 180 | 31 | 107 | 203 | |||
| 200 | 29 | 94 | 184 | |||
| 急停扭矩 | Nm | L1,L2 | 3~200 | 3倍額定輸出扭矩 | ||
| 額定輸入轉速 N1N | rpm | L1,L2 | 3~200 | 3,000 | 3,000 | 2,500 |
| 最大輸入轉速 N1B | rpm | L1,L2 | 3~200 | 6,000 | 6,000 | 5,000 |
| 精密背隙 H | arcmin | L1 | 3~20 | ≦4 | ≦4 | ≦4 |
| L2 | 25~200 | ≦7 | ≦7 | ≦7 | ||
| 標準背隙 M | arcmin | L1 | 3~20 | ≦6 | ≦6 | ≦6 |
| L2 | 25~200 | ≦9 | ≦9 | ≦9 | ||
| 扭轉剛性 | Nm/arcmin | L1,L2 | 3~200 | 4 | 11 | 35 |
| 容許徑向力 F2rB2 | N | L1,L2 | 3~200 | 1,328 | 2,340 | 4,000 |
| 容許軸向力F2aB2 | N | L1,L2 | 3~200 | 664 | 1,170 | 2,000 |
| 保固期 | M | L1,L2 | 3~200 | 18個月 | ||
全負載時效率
|
% | L1 | 3~20 | ≧94% | ||
| L2 | 25~200 | ≧91% | ||||
| 淨重 | kg | L1 | 3~20 | 2.26 | 6.85 | 13.5 |
| L2 | 25~200 | 2.56 | 8.05 | 15.88 | ||
| 使用溫度 | °C | L1,L2 | 3~200 | - 10°C ~ + 90ºC | ||
| 潤滑 | L1,L2 | 3~200 | 鋰基複合全合成潤滑油脂 | |||
| 安裝方向 | L1,L2 | 3~200 | 任意方向 | |||
| 防護等級 | L1,L2 | 3~200 | IP65 | |||
| 噪音值 | dBA | L1,L2 | 3~200 | ≦65 | ≦65 | ≦68 |
| 1. 上述單段減速機(未指定比數)相關規格,主要為使用各型號5比減速機所測得之數據 | ||||||
| 2. 減速比:i = 輸入轉速/輸出轉速 | ||||||
| 3. 背隙值:為在2%額定輸出扭矩下測試所得之數據 | ||||||
| 4. 最大徑向力及最大軸向力:施力於出力軸中心位置,週期負載時間50%,輸出轉速100rpm,條件下所測得之數據 | ||||||
| 5. 運轉負載週期<60%狀況下,平均使用壽命如列表數據值;負載週期≧60%之連續運轉 狀況下,平均使用壽命可能會降低至 | ||||||
| 正常值的50%以下 | ||||||
| 6. 噪音值 :距離1公尺,空載運轉,額定輸入轉速,條件下所測得之數據 | ||||||
| 機型 | 入力齒輪比 | 轉動慣量J1 kg*cm² |
| KHL60 | 1:1 | 0.11 |
| 1:2 | 0.10 | |
| KHL90 | 1:1 | 1.31 |
| 1:2 | 1.15 | |
| KHL120 | 1:1 | 2.91 |
| 1:2 | 2.48 |