
KHT 減速比組成

| Size (mm) | KHT60-H | KHT90-H | KHT120-H |
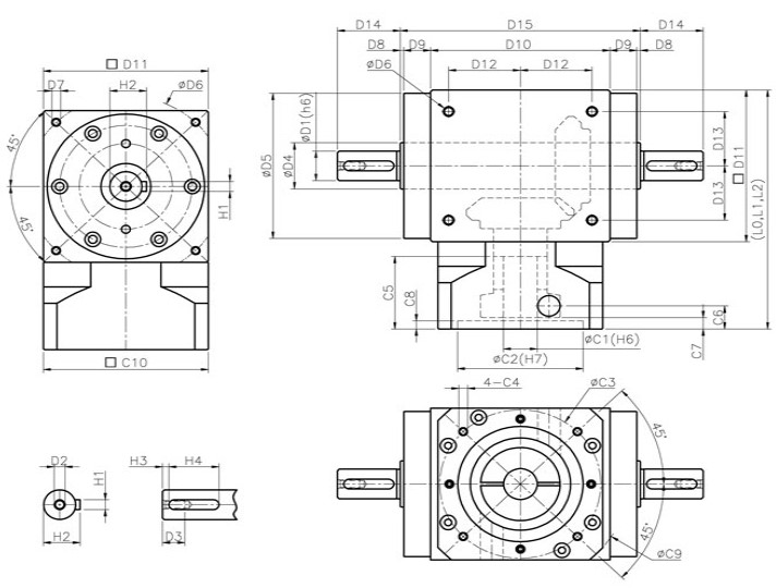
| ØC1 | 14 | 19 | 24 |
| ØC2 | 50 | 70 | 110 |
| ØC3 | 70 | 90 | 145 |
| C4 | M5-0.8P | M6-1.0P | M8-1.25P |
| C5 | 38 | 42 | 66 |
| C6 | 12 | 14 | 28 |
| C7 | 6 | 7 | 19.5 |
| C8 | 4 | 5 | 7 |
| ØC9 | 85 | 120 | 161.6 |
| C10 | 62 | 92 | 122.7 |
| ØD1 | 13 | 18 | 22 |
| D2 | 30 | 30 | 35 |
| D3 | 30 | 50 | 55 |
| ØD4 | 20 | 28 | 35 |
| ØD5 | 62 | 88 | 108 |
| ØD6 | 76 | 110 | 145 |
| D7 | M4-0.7P | M5-0.8P | M8-1.25P |
| D8 | 2 | 2 | 2 |
| D9 | 13 | 15 | 15 |
| D10 | 70 | 100 | 126 |
| D11 | 62 | 92 | 120 |
| D12 | 25 | 40 | 50 |
| D13 | 25 | 33 | 42 |
| D15 | 100 | 134 | 160 |
| H1 | 5 | 6 | 6 |
| H2 | 15.3 | 20.8 | 24.8 |
| L0 | 107 | 145 | 197.5 |
| L1 | 135.5 | 189.5 | 253.5 |
| L2 | 151.5 | 217 | 286.5 |
| 以上C1~C10為標準的連接法蘭尺寸,實際尺寸會因馬達型號不同而變動 | |||
| Size (mm) | KHT60-S1 | KHT90-S1 | KHT120-S1 |
| ØC1 | 14 | 19 | 24 |
| ØC2 | 50 | 70 | 110 |
| ØC3 | 70 | 90 | 145 |
| C4 | M5-0.8P | M6-1.0P | M8-1.25P |
| C5 | 38 | 42 | 66 |
| C6 | 12 | 14 | 28 |
| C7 | 6 | 7 | 19.5 |
| C8 | 4 | 5 | 7 |
| ØC9 | 85 | 120 | 161.6 |
| C10 | 62 | 92 | 122.7 |
| ØD1 | 13 | 18 | 22 |
| D2 | M4-0.7P | M5-0.8P | M8-1.25P |
| D3 | 12 | 12.5 | 20 |
| ØD4 | 20 | 28 | 35 |
| ØD5 | 62 | 88 | 108 |
| ØD6 | 76 | 110 | 145 |
| D7 | M4-0.7P | M5-0.8P | M8-1.25P |
| D8 | 2 | 2 | 2 |
| D9 | 13 | 15 | 15 |
| D10 | 70 | 100 | 126 |
| D11 | 62 | 92 | 120 |
| D12 | 25 | 40 | 50 |
| D13 | 25 | 33 | 42 |
| D14 | 20 | 35 | 40 |
| D15 | 100 | 134 | 160 |
| H1 | 5 | 6 | 6 |
| H2 | 15 | 20.5 | 24.5 |
| H3 | 2 | 3.5 | 5 |
| H4 | 16 | 28 | 25 |
| L0 | 107 | 145 | 197.5 |
| L1 | 135.5 | 189.5 | 253.5 |
| L2 | 151.5 | 217 | 286.5 |
| 以上C1~C10為標準的連接法蘭尺寸,實際尺寸會因馬達型號不同而變動 | |||
| Size (mm) | KHT60-S2 | KHT90-S2 | KHT120-S2 |
| ØC1 | 14 | 19 | 24 |
| ØC2 | 50 | 70 | 110 |
| ØC3 | 70 | 90 | 145 |
| C4 | M5-0.8P | M6-1.0P | M8-1.25P |
| C5 | 38 | 42 | 66 |
| C6 | 12 | 14 | 28 |
| C7 | 6 | 7 | 19.5 |
| C8 | 4 | 5 | 7 |
| ØC9 | 85 | 120 | 161.6 |
| C10 | 62 | 92 | 122.7 |
| ØD1 | 13 | 18 | 22 |
| D2 | M4-0.7P | M5-0.8P | M8-1.25P |
| D3 | 12 | 12.5 | 20 |
| ØD4 | 20 | 28 | 35 |
| ØD5 | 62 | 88 | 108 |
| ØD6 | 76 | 110 | 145 |
| D7 | M4-0.7P | M5-0.8P | M8-1.25P |
| D8 | 2 | 2 | 2 |
| D9 | 13 | 15 | 15 |
| D10 | 70 | 100 | 126 |
| D11 | 62 | 92 | 120 |
| D12 | 25 | 40 | 50 |
| D13 | 25 | 33 | 42 |
| D14 | 20 | 35 | 40 |
| D15 | 100 | 134 | 160 |
| H1 | 5 | 6 | 6 |
| H2 | 15 | 20.5 | 24.5 |
| H3 | 2 | 3.5 | 5 |
| H4 | 16 | 28 | 25 |
| L0 | 107 | 145 | 197.5 |
| L1 | 135.5 | 189.5 | 253.5 |
| L2 | 151.5 | 217 | 286.5 |
| 以上C1~C10為標準的連接法蘭尺寸,實際尺寸會因馬達型號不同而變動 | |||
| 規格 | 單位 | 段數 | 減速比 | KHT60 | KHT90 | KHT120 |
| 額定輸出扭矩 T2N | Nm | L0 | 1 | 15 | 58 | 114 |
| Nm | L1 | 3~10 | ||||
| Nm | L2 | 15~100 | ||||
| 急停扭矩 | Nm | L0, L1, L2 | 1~100 | 1.5倍額定輸出扭矩 | ||
| 額定輸入轉速 N1N | rpm | L0, L1, L2 | 1~100 | 3,000 | 3,000 | 3,000 |
| 最大輸入轉速 N1B | rpm | L0, L1, L2 | 1~100 | 6,000 | 6,000 | 6,000 |
| 標準背隙 M | arcmin | L0 | 1 | ≦6 | ≦6 | ≦6 |
| L1 | 3~10 | ≦8 | ≦8 | ≦8 | ||
| L2 | 15~100 | ≦10 | ≦10 | ≦10 | ||
| 容許徑向力 F2rB2 | N | L0 | 1 | 810 | 1,220 | 2,080 |
| 容許軸向力F2aB2 | N | L1, L2 | 3~100 | 1,108 | 1,688 | 2,900 |
| 容許軸向力 | N | L0 | 1 | 381 | 610 | 1,040 |
| N | L1, L2 | 3~100 | 584 | 844 | 1,450 | |
| 保固期 | M | L0, L1, L2 | 1~100 | 18個月 | ||
全負載時效率
|
% | L0 | 1 | ≧98% | ||
| L1 | 3~10 | ≧95% | ||||
| L2 | 15~100 | ≧92% | ||||
| 淨重 | kg | L0 | 空軸 H | 1.85 | 4.29 | 9.05 |
| 單邊軸 S1 | 1.98 | 4.65 | 9.66 | |||
| 雙邊軸 S2 | 2 | 4.71 | 9.77 | |||
| L1 | 空軸 H | 2.05 | 6.47 | 13.8 | ||
| 單邊軸 S1 | 2.18 | 6.83 | 14.41 | |||
| 雙邊軸 S2 | 2.2 | 6.89 | 14.52 | |||
| L2 | 空軸 H | 2.35 | 7.6 | 16.4 | ||
| 單邊軸 S1 | 2.48 | 7.95 | 17.01 | |||
| 雙邊軸 S2 | 2.5 | 8.01 | 17.12 | |||
| 使用溫度 | °C | L0, L1, L2 | 1~100 | - 10°C ~ + 90ºC | ||
| 潤滑 | L0, L1, L2 | 1~100 | 鋰基複合全合成潤滑油脂 | |||
| 安裝方向 | L0, L1, L2 | 1~100 | 任意方向 | |||
| 防護等級 | L0, L1, L2 | 1~100 | IP65 | |||
|
噪音值 (轉速=1500 rpm) |
dBA | L0 | 1 | ≦73 | ≦76 | ≦79 |
| dBA | L1, L2 | 3~100 | ≦63 | ≦65 | ≦65 | |
| 1. 減速比:i = 輸入轉速/輸出轉速 | ||||||
| 2. 背隙值:為在2%額定輸出扭矩下測試所得之數據 | ||||||
| 3. 最大徑向力及最大軸向力:施力於出力軸中心位置,週期負載時間50%,輸出轉速100rpm,條件下所測得之數據 | ||||||
| 4. 運轉負載週期<60%狀況下,平均使用壽命如列表數據值;負載週期≧60%之連續運轉 狀況下,平均使用壽命可能 | ||||||
| 會降低至正常值的50%以下 | ||||||
| 5. 噪音值 :距離1公尺,空載運轉,額定輸入轉速,條件下所測得之數據 | ||||||